军格污水提升器compli 1025

● 大通道,防堵塞,涡轮叶轮

● 防护等级IP 68,安全防水设计

● 多个进水口,安装方便快捷

● 双泵系统,两台水泵交替运行

● 水箱材质HDPE,水箱容积120L

● 电压:380V 功率:3.0kw

● 扬程:24m 流量:68m³/h


1、工作原理

  污水通过整套设备的入口进入设备的水箱,到达设备的启动水位后,浮球控制器将触点信号传输到控制器,电源接通,水泵启动,将污水从污水箱中吸入,经蜗壳增压后通过单流阀排出室外。当水位到达停止水位时,水泵停止工作,完成一个工作循环。两泵互为备用。当水量较大时,双泵可以同时启动。当水位到达报警水位,设备将发出声光报警信号。

  整套设备采用全密闭结构,不会有异味泄漏,正常排气通过通气管排出室外。

2、外形尺寸图

11.jpg

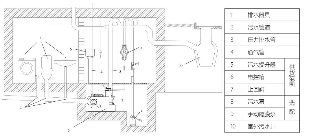
3、安装示意图

QQ截图20230404101408.jpg

4、资料下载

污水提升器1000系列.pdf


B体育·(中国)官方网站
诚信永远、团结博爱、创新求变
联系我们

© 2022 B体育·(中国)官方网站 版权所有  All Rights Reserved 

留言咨询

合作热线:0755-2363 3188

廉政举报:191 6859 7067

合作邮箱:marketing@farben.com.cn

联系法本信息

咨询来源:
提交